Hittite 公司的HMC792LP4E是 DC - 6 GHz 6位数字衰减器,增量 0.25 dB LSB,最大衰减到15.75dB,IP3输出高达+55dBm,2.0GHz的插入损耗为1.8dB,单电源3V或5V工作,主要用于蜂窝/3G基础设备, WiBro / WiMAX / 4G,微波无线电和VSAT,测试设备和传感器,IF和RF应用.本文介绍HMC792LP4E主要特性, 功能方框图, 应用电路, 评估板PCB布局图和材料列表.
HMC792LP4E: 0.25 dB LSB GaAs MMIC 6-BIT DIGITAL ATTENUATOR, DC - 6 GHz The HMC792LP4E is a broadband 6-bit GaAs IC Digital Attenuator in a low cost leadless SMT package. This versatile digital attenuator incorporates off-chip AC ground capacitors for near DC operation, making it suitable for a wide variety of RF and IF applications.
The dual mode control interface is CMOS/TTL compatible, and accepts either a three wire serial input or a 6 bit parallel word. The HMC792LP4E also features a user selectable power up state and a serial output port for cascading other Hittite serial controlled components. The HMC792LP4E is housed in a RoHS compliant 4x4 mm QFN leadless package, and requires no external matching components.
HMC792LP4E主要特性:
0.25 dB LSB Steps to 15.75 dB
Power-Up State Selection
High Input IP3: +55 dBm
Low Insertion Loss: 1.8 dB @ 2.0 GHz
TTL/CMOS Compatible, Serial, Parallel or Latched Parallel Control
±0.2 dB Typical Step Error
Single +3V or +5V Supply
24 Lead 4x4mm SMT Package: 16mm2
HMC792LP4E典型应用:
The HMC792LP4E is ideal for:
• Cellular/3G Infrastructure
• WiBro / WiMAX / 4G
• Microwave Radio & VSAT
• Test Equipment and Sensors
• IF & RF Applications

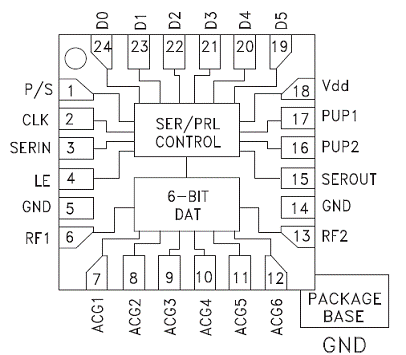
图1.HMC792LP4E功能方框图

图2.HMC792LP4E应用电路
For frequencies less than 700 MHz, the use of ACG capacitors C4, C5 and C6 is recommended. For frequencies greater than 700 MHz, the HMC792LP4E has similar performance with and without the ACG capacitors.

图3.HMC792LP4E评估板PCB布局图
评估板PCB 118853材料列表:

详情请见:
http://www.hittite.com/content/documents/data_sheet/hmc792lp4.pdf
HMC792LP4E: 0.25 dB LSB GaAs MMIC 6-BIT DIGITAL ATTENUATOR, DC - 6 GHz The HMC792LP4E is a broadband 6-bit GaAs IC Digital Attenuator in a low cost leadless SMT package. This versatile digital attenuator incorporates off-chip AC ground capacitors for near DC operation, making it suitable for a wide variety of RF and IF applications.
The dual mode control interface is CMOS/TTL compatible, and accepts either a three wire serial input or a 6 bit parallel word. The HMC792LP4E also features a user selectable power up state and a serial output port for cascading other Hittite serial controlled components. The HMC792LP4E is housed in a RoHS compliant 4x4 mm QFN leadless package, and requires no external matching components.
HMC792LP4E主要特性:
0.25 dB LSB Steps to 15.75 dB
Power-Up State Selection
High Input IP3: +55 dBm
Low Insertion Loss: 1.8 dB @ 2.0 GHz
TTL/CMOS Compatible, Serial, Parallel or Latched Parallel Control
±0.2 dB Typical Step Error
Single +3V or +5V Supply
24 Lead 4x4mm SMT Package: 16mm2
HMC792LP4E典型应用:
The HMC792LP4E is ideal for:
• Cellular/3G Infrastructure
• WiBro / WiMAX / 4G
• Microwave Radio & VSAT
• Test Equipment and Sensors
• IF & RF Applications

图1.HMC792LP4E功能方框图

图2.HMC792LP4E应用电路
For frequencies less than 700 MHz, the use of ACG capacitors C4, C5 and C6 is recommended. For frequencies greater than 700 MHz, the HMC792LP4E has similar performance with and without the ACG capacitors.

图3.HMC792LP4E评估板PCB布局图
评估板PCB 118853材料列表:

详情请见:
http://www.hittite.com/content/documents/data_sheet/hmc792lp4.pdf

粤公网安备 44030902003195号