在医疗设备、汽车仪器仪表和工业控制等科技领域中,当设备设计涉及应变计、传感器接口和电流监控时,通常需要采用精密模拟前端放大器,以便提取并放大非常微弱的真实信号,并抑制共模电压和噪声等无用信号。首先,设计人员将集中精力确保器件级噪声、失调、增益和温度稳定性等精度参数符合应用要求。
然后,设计人员根据上述特性,选择符合总误差预算要求的前端模拟器件。不过,此类应用中存在一个经常被忽视的问题,即外部信号导致的高频干扰,也就是通常所说的“电磁干扰(EMI)”。EMI可以通过多种方式发生,主要受最终应用影响。例如,与直流电机接口的控制板中可能会用到仪表放大器,而电机的电流环路包含电源引线、电刷、换向器和线圈,通常就像天线一样可以发射高频信号,因而可能会干扰仪表放大器输入端的微小电压。
另一个例子是汽车电磁阀控制中的电流检测。电磁阀由车辆电池通过长导线来供电,这些导线就像天线一样。该导线路径中连接着一个串联分流电阻,然后通过电流检测放大器来测量该电阻上的电压。该线路中可能存在高频共模信号,而该放大器的输入端容易受到这类外部信号的影响。一旦受到外部高频干扰影响,就可能导致模拟器件的精度下降,甚至可能无法控制电磁阀电路。这种状态在放大器中的表现就是放大器输出精度超过误差预算和数据手册中的容差,甚至在某些情况下可能会达到限值,从而导致控制环路关断。
EMI是如何造成较大的直流偏差呢?可能是以下一种情形:根据设计,很多仪表放大器可以在最高数十千赫的频率范围内表现出极佳的共模抑制性能。但是,非屏蔽的放大器接触到数十或数百“兆赫”的RF辐射时,就可能会出现问题。此时放大器的输入级可能会出现非对称整流,从而产生直流失调,进一步放大后,会非常明显,再加上放大器的增益,甚至达到其输出或部分外部电路的上限。
关于高频信号如何影响模拟器件的示例
本例将详细介绍一种典型的高端电流检测应用。图1所示为汽车应用环境中用于监控电磁阀或其它感性负载的常见配置。

图1. 高端电流监控
我们采用两个具有类似设计的电流检测放大器配置,研究了高频干扰的影响。这两个器件的功能和引脚排列完全相同;不过,其中一个内置EMI滤波器电路,而另一个则没有。

图2. 电流传感器输出 (无内置EMI滤波器,前向功率= 12 dBm, 100 mV/分频,3 MHz时直流输出达到峰值)
图2所示为输入在较宽频率范围内变化时电流传感器的直流输出与其理想值的偏差情况。从图中可以看出,在1 MHz至20 MHz的频率范围内,偏差最为显著(>0.1 V),且3 MHz时直流误差达到最大值(1 V),这在放大器0 V至5 V的输出电压范围中占据很大比例。
图3所示为采用另一种引脚兼容电流传感器时相同实验和配置的测试结果,其中电流传感器具有与之前示例相同的电路架构和类似的直流规格,但是内置输入EMI滤波电路。注意,电压范围扩大了20倍。

图3. 电流传感器输出 (内置EMI滤波器,前向功率= 12 dBm, 5 mV/分频,>100 MHz时直流输出达到峰值)
这种情况下,40 MHz时误差仅为3 mV左右,且峰值误差(大于100 MHz时)小于30 mV,性能提高35倍。这点清楚地表明,内置EMI滤波电路有助于显著提高电流传感器防护性能,使其免受输入端存在的高频信号影响。在实际应用中,尽管并不清楚EMI的严重程度,但是如果使用内置EMI滤波功能的电流传感器,实际上控制环路将会保持在其容差范围内。
这两种器件都在完全相同的条件下进行测试。唯一不同就是AD8208(参见“附录”)在输入引脚和电源引脚上都配有内部低通RF输入滤波器。在芯片上增添这样的部件似乎微不足道,但是由于应用通常由PWM进行控制,这种情况下电流检测放大器必须能够承受最高45 V的连续开关共模电压。因此,要保持精确的高增益和共模抑制性能,输入滤波器必须严格匹配。
设计和测试时为何以及如何保证EMI兼容性
汽车应用对EMI事件尤其敏感,而在由中央电池、捆绑线束、各种感性负载、天线以及与汽车相关的外部干扰构成的嘈杂电气环境中,后者却是无法避免的。由于安全气囊配置、巡航控制、刹车和悬架等多种关键功能控制都涉及到电子设备,因此必须保证EMI兼容性,绝不容许因外部干扰而出现误报或误触发。早先,EMI兼容性测试是汽车应用中的最后一项测试。如果出现差错,设计人员就必须在仓促之间找出解决方案,而这往往涉及到改变电路板布局、额外添加滤波器,甚至是更换器件。
这种不确定性极大提高了设计成本,并给工程师造成了很多麻烦。一直以来,汽车行业都在采取切实措施来改善EMI兼容性。由于设备必须符合EMI标准,汽车OEM厂商现在要求半导体制造商(如ADI公司)必须在器件级执行EMI测试,然后才会考虑采用其生产的器件。现在,这一流程已经普及,所有IC制造商都使用标准规格来测试器件的EMI兼容性。
如欲了解各类型集成电路的标准EMI测试要求,请向国际电工委员会(IEC)购买获取相关文档。通过IEC 62132和IEC 61967等文档则可以了解EMI和EMC,其中非常详细地描述了如何使用业界公认的标准来测试特定集成电路。上述各种测试都是根据这些指南说明进行的。
具体而言,这些测试都采用 “直接功率注入法”完成,这是一种通过电容将RF信号耦合至特定器件引脚的方法。根据待测IC的类型,针对不同的RF信号功率水平和频率范围,测试器件的每路输入。图4显示了在特定引脚上执行直接功率注入测试的原理示意图。

图4. 直接功率注入
这些标准中包含电路配置、布局方法和监控技术方面的大量必要信息,有助于正确理解器件测试成功与否。更为完整的IEC标准原理图如图5所示。

图5. EMI耐受性测试原理图
总结
集成电路的EMI兼容性是电子设计能否成功的关键所在。本文仅从放大器是否内置EMI滤波器出发,介绍了两款非常类似的放大器执行直流测量时,在RF环境中的直流性能有何显著差别。在汽车应用中,考虑到安全性和可靠性时,EMI是一个非常重要的方面。如今,在设计和测试针对关键应用的器件时,IC制造商(如ADI公司)日益重视EMI耐受性方面的考虑因素。IEC标准非常详细地说明了有用的相关指导原则。对于汽车应用市场,AD8207, AD8208和AD8209等电流检测器件都通过了EMI测试。锂离子电池安全监控器AD8280 和数字式可编程传感器信号放大器AD8556等新款器件经过专门设计和测试,符合EMI相关要求。
附录
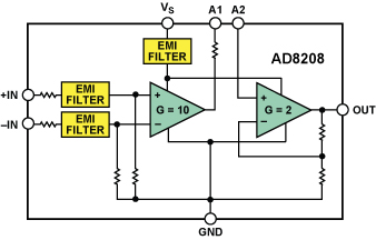
AD8208的更多详情:AD8203(图A)是一款单电源差动放大器,非常适合在大共模电压情况下放大和低通滤波小差分电压。采用+5 V单电源供电时,输入共模电压范围为-2 V至+45 V。该款放大器提供增强的输入过压和ESD保护,并内置EMI滤波功能。

图A. AD8208差动放大器
AD8208具有出色的交流和直流性能,且通过相关认证,适合要求采用稳定可靠的精密器件来改善系统控制的汽车应用。失调和增益漂移典型值分别小于5 µV/°C和10 ppm/°C。该器件提供SOIC和MSOP两种封装,在DC至10 kHz范围内共模抑制比(CMR)最小值为80 dB。
另外提供一个外部可用的100kΩ电阻,可用来进行低通滤波以及建立20以外的增益。
作者:ADI公司 Henri Sino
关于作者
Henri Sino [henri.sino@analog.com]是ADI公司马萨诸塞州威尔明顿市集成放大器产品(IAP)部门的一名应用工程师。他拥有伍斯特理工学院电气工程学士(BSEE)学位,毕业后就加入ADI公司,迄今已工作了六年。在此期间,Henri主要负责为汽车和通信应用市场方面的产品和客户提供支持。

粤公网安备 44030902003195号