什么是功放?
功率放大器(Power Amplifier,简称PA)简称功放,俗称“扩音机”,是音响系统中最基本的设备,它的任务是把来自信号源(专业音响系统中则是来自调音台)的微弱电信号进行放大以驱动扬声器发出声音。
手机功放的特性要求
GSM/GPRS四频手机是依据ETSI/3GPP的通讯标准来传送信号,所以功率放大器的特性必须符合以下的要求。
一般而言,PA之输出功率等级在GSM850MHz/900MHz频段,分为5(33dBm)~19(5dBm)等十五个功率等级,在DCS1800MHz/PCS1900MHz频段,则有0(30dBm)~15(0dBm)等十六个功率等级,随着手机距离邻近基站的远近与手机收信状况的好坏,PA的输出功率等级必须依据基站的指示做相对调整及精确的设定,不是只有单一的输出功率。
因为GSM/GPRS通讯系统乃是TDMA系统(Time-Division-multiple-Access),故信号之传送(up-Link)与接收(down-Link)不是同时间发生的,而PA主要是负责传送手机信号到基站,其PA功率操作反应时间必需符合ETSI/3GPP通讯标准之规范,如图1所示,分三段时间区域(a)28us(b)542.8us(c)28us,在(a)区域,当手机欲传送信号到基站,PA必须在28us内做好Power-ramping-up 的准备工作,使PA输出功率保持在一个稳定且固定的值,以便开始做真正的手机信号传送工作,此即为(b)区域,而当信号传送完毕,一样须在(c)区域28us内做完Power-ramping-down即关掉PA Power,以节省电池电流消耗,同时进入接收模式(接收基站信号),另外,有两点值得一提的是:
(1)在(a)与(c)区域中,PA之反应速度要够快,以使PA能在28us内分别达到PA全功率输出与无功率输出,而且其功率输出的增加率(ramping-up)或递减率(ramping-down)也必须能有适当的快慢以达到很平滑(smooth)的功率上升、下降曲线,否则容易产生所谓的开关频谱噪声,进而影响邻近手机使用者之通话品质。
(2)在(b)区域中,PA之输出功率必须维持非常稳定,功率变动范围在±1dB内,否则手机欲传之信号很容易因PA本身功率不稳定,而受到PA的调变,因而产生调变频谱噪声,此将大大提升手机本身通话时之BER(Bit-error-rate),使通话品质不佳。

图1 PA的输出功率VS时间图
因移动手机与基站的最远距离约有35公里,PA的输出功率约在30~35dBm,所以PA需要较大的供应电流,其电流可高达1.6~2A,一般PA的输出效率约在50%,再加上PA工作周期(duty cycle)到GPRS Class 12的应用时将会达到50% (4个时隙),因此PA模块将会产生大量的热在IC本身,所以必须有很好的散热处理,否则PA容易因过热而损坏。
因移动手机本身常会在相当不好的环境中使用,如高速行驶、恶烈气候环境等,所以手机本身的接收灵敏度(Sensitivity)要求很高,在此同时,PA所需之输出功率又要比较高,故对PA工作时相对产生的接收频带噪声功率等等特性之要求将更加严格。
一般手机PA在正常的操作模式下,输出端所看到的阻抗为50Ω负载,但是当手机使用者不当使用手机,例如手握天线,甚至拔掉天线,将会发生PA负载阻抗完全偏离正常工作50Ω负载,这就是所谓的PA失配(mismatch),在这样的状况下,PA功率送不出去,将会导致更多的热散在IC上,易导致PA烧坏,此外,因PA本身是大功率组件,除了输出功率,同时会产生很大的热噪声,PA本身即会有很大的稳定度问题,若是再发生失配状况,更易导致PA振荡,因而产生其它频率之噪声(Spurious Oscillation noise) ,影响到其它手机系统使用者,故PA设计本身必须确保在失配状况下,PA不会发生振荡与烧坏之现象。
如同前点所说,PA乃是一个大功率组件,且其输出端功率乃是用微带传输线来做阻抗匹配,故RF信号容易经由介质耦合和空气中辐射到PA外围手机通讯电路,甚至影响邻近手机使用者。其中最典型的例子即信号耦合到PLL中的VCO,容易造成VCO的频率偏移,此将大大影响手机本身之通话品质,故PA设计本身之屏弊与隔离乃是充满挑战的一个课题。
PA 的技术与运作PA的设计近年来由于在IC输出阻抗匹配线路之Q值不佳,所以多采用多芯片模块(MCU,Multi-Chip-Module)的结构,如图2。

图2 PA的功能方块图
依功能包括以下三大部份:
50Ω输入/输出匹配线路:以便与外围电路如压控振荡器、切换开关器(Switch)做适当的阻抗匹配与功率传送。
CMOS功率控制IC:此IC可说是PA模块的核心,其功能含:提供HBT IC直流偏压(DC-Bias)、频带选择(Band-Selection between GSM and DCS Band)、温度补偿、自我功率测量(确保PA所输出功率为基站需求值),输出功率调整(不同之输出功率等级调整)、功率开关(在传送与接收之间做切换)及保护装置电路(避免手机使用不当,而发生损坏之现象)。
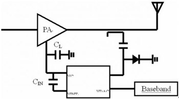
GSM/DCS HBT PA IC:此HBT PA IC主要功能为射频信号的功率放大,目前手机PA都是利用砷化镓制程的异质结双数晶体管(GaAs Hetero-Junction-Bipolar-Transistor HBT)制造而成。在应用上,PA必须外加一控制回路才能使其运作完全符合E-GSM/DCS/PCS的标准,如图3。

图3 功率控制回路
使用上,透过基带送一个VDAC值来设定PA所需传送出去的功率值,再利用传感肖特基二极管,测量PA的输出功率,其测量值与VDAC的值相比较,以得到一个误差电流,再经由积分器Cin积分,以决定VC的输出电压,然后,应用VC的电压值来调整PA的放大功率,如此形成一个稳定的控制回路系统,才能确保PA输出功率为基带所设定的功率值。

粤公网安备 44030902003195号